3. 앰프들 - 빈티지만 가득가득 - part3

10. 인켈 ad-400 - 거실 메인 1에서 2로 밀려난 ㅎ
- 이것저것 다 제치고 ad400 이 거실의 메인이다. .. 라기 보다는 ^^; 아래의 세트 튜너인 td100 과 세트여서 들였던 앰프다. 아래의 아날로그 튜너는 튜너연구소 소장님 작품이다. 가지고 있던 td180 과 at40 참 좋은 튜너 두 개를 드리고 교환받은 튜너. 처음에 그럴 가치가 있을까 생각했다만 명불허전이다. 튜너가 이런소리가 나나. 이후 오디오 감상의 대부분이 튜너다. 이 튜너의 세트 앰프가 ad 400 이다. 은색을 구하고 싶었으나 인연이 검은색으로 맺어졌고. 이후 풀오버홀이 된 (음색은 비슷하고 힘이 넘치게 ㅎ 물량을 아낌없이 투입해서 오로지 힘! 힘! - 이 분을 아는 분인데, 나와 비슷하게 인켈 프로10 을 잘 울리는 앰프를 찾고 스스로 오버홀을 하신다. 오버홀이라는게 사실 원래 소리에서 멀어질 수도 있어 좀 꺼려지는 부분도 있지만 40년의 시간이 흘렀다면 어짜피 원래 소리가 잘 안나는게 정상이다. 최대한 비슷한 음색에서 원하는 방향으로 철학이 들어있는 오버홀이라면. 굳이 꺼려할 필요는 없지 않나. 하여간 그래서 이 앰프가 두개다. 원래의 하나와, 오버홀 된 하나. 비교 청음을 해보니 오버홀 된 기기가 좀 더 좋다. 이유는 위에서처럼, 궤짝 프로10과 또다른 메인 스피커인 밀폐형 ar58 을 정말 단단한 소리로 울려주기 때문이다. 오버홀 하지 않은 기기도 단단하다. 이 슬림한 앰프가 이렇게 단단한 소리를 내어 준다니. 믿기 어렵다. 그리 유명한 , 명기 리스트에 올라있는 앰프가 아닌데도 실제 260b 나 7r 보다 훨씬 좋은 느낌이다. 튜너와 세트로 오래 들을 듯 하고. 일단 그렇게 메인이다. 두 대 중 하나는 방출결정. 이유는 새로운 식구 ^^;; 궁금하고 궁금했던 태광 아너가 오고 있기 때문이다.

출력당 44w 밖에 안되는 소출력앰프인데 굉장한 구동력을 갖고 있다. 출력 숫자는 숫자에 불과하다는 걸 7ra 를 통해 이미 알고 있었으나 이렇게 슬림한 소출력 앰프가 궤짝을 단단하게 울린다는게 대단하다. 소리가 생각보다 명료하다.
TD100B 튜너, AD400B 앰프, CD300B 데크, PD701 턴-테이블, DSS-750S 스피커가 세트고 1985년즈음에 생산되었다.

어느 글에서 :
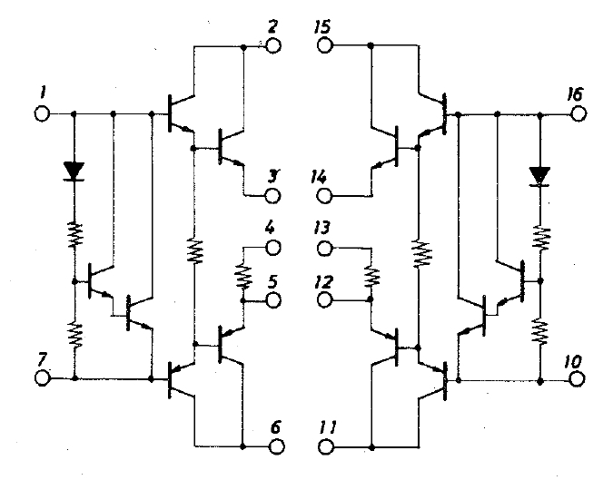
AD400 의 포노앰프 회로는 AD2 및 AD2210 과는 구성이 다릅니다. AD400 은 채널당 NPN TR 한 개 및 PNP TR 한 개를 각 common base 증폭 회로로 cascade 구성하였는데, AD2 는 여기에 NPN TR 구성의 에미터 폴로우 버퍼가 추가되어 있습니다. AD2210 의 경우는 포노단에 차동 증폭 TR 및 OP Amp 를 사용하였습니다.
AD2, AD2210, AD400 등 당시 인켈의 슬림 앰프들은 출력을 제외하고는 기능상 거의 같았기 때문에, Hybrid Amp IC 를 기반으로한 유사 회로를 조금씩 베리에이션하여 사용하였습니다. 기능에 의한 것 외의 베리에이션 방법은 출력에 따라 Amp IC 및 트랜스가 다르고, 그 외 Tone Amp 를 별도로 사용했냐 Main Amp 의 feedback 를 이용했냐, 전압 앰프에 TR 를 사용했냐 OP 앰프를 사용했냐, TR 은 몇 단 구성을 했냐 등의 차이가 있습니다.
- 허락 받지 않고 구해온 글, 언제든 삭제할 준비가 되어 있으나 혹시 보신다면 아량으로 보아주시옵소서

11. 진공관 올드챈 el34 - 거실 메인 2 -> 사무실 메인 2
- lp 용 + 겨울 난방용 + 무드용 ㅎ
가격 대비 깡패라고 할까. 그냥 좋다. ^^;; 막귀라서 그렇다. 턴테이블앰프를 활용해서 aux 단 (하나밖에 없다) 에 물려 듣는다. 그러니까, 가을 겨울 밤에 집안의 불을 끄고 붉게 올라오는 진공관의 불빛을 보며 엘피를 듣기에 딱 좋지 아니한가. 라는 말이다. 캐슬 같은 약간 어두운 북쉘프에 잘 어울릴 듯 하다. 물론 난 궤짝에다가 ㅎㅎ 혹사당하렴.
------------------------------->
변동이 있었다 얘도. 확 팔아치울까 했던 건 출력단이 하나밖에 없어서. 파워로 쓰면 되겠다만 귀찮으니 앰프 하나에 주렁주렁 달고 퉁치면 좋겠다만.. 하여간 그랬다가! 사무실에 가지고 와 애물단지처럼 취급하다 에어로909궤짝에 물려 인켈 tx7ca 튜너 (풀오버홀이 된) 에 물려 들어보니, 아 이건또 너무 좋아! 서.
이대로 그냥 고정이다. 날마다 듣는다. 들을수록 소리가 좋아진다. 흔히 말하는 에이징도 안된 애를 너무 막대했나 싶고.
성향은 따뜻하면서 플랫하다. 특히 튜너들을때 너무 좋은데. 이거 초보라 몰랐겠지만, 조합이 정말 중요하구나 싶다.
앞으로 뭐 하나 그냥 팔아버리지 말고 귀찮아도 이거저거 다 조합해보고 들어보리라~

12. 오디오랩 8200a - 영국제라 하고. 중국에서 만든다 ㅎ
- 과거 1980년대에 '8000A' 라는 모델로 선풍적인 인기를 구가했으나 그 후 몇십년 동안 회사가 이리저리 팔려다니며 현재는 그 명성이 과거에 비해 상당히 추락한 상태. 대체로 100만원미만의 제품만 생산하는 제조사이며 가격에 비해 성능이 좋아 입문기로 인기가 어마어마하다. 디자인이 옛날 제품이나 최근 제품이나 큰 변화가 없다. 하지만 2015년 신제품 '8300A' 출시로 인해 현대적인 앰프 디자인으로 환골탈태했다. -> 라고 나무위키에서 퍼옴.
동네에 오디오에 해박하신 어르신이 추천해주신 앰프. 는 원래 6000a 였으나 박스와 매뉴얼까지 완벽한 8200a 가 엄청 저렴하게 매물로 나와 먼길 다녀왔다. 점점 오디오나 스피커를 이유로 멀리가는게 귀찮아진다 ㅎ 아마 정착할 때가 점점 되어가는듯. 하여간 소리는 명료하고 플랫하다. 좀 더 해상력이 높았다면 싫어했을 듯 한데 (멍멍한 소리가 왜 좋은걸까 ㅎㅎ) 적당히 딱이다. 그리고 처음. 프로10이나 에어로909등의 궤짝과도 나쁘지 않다는 느낌이었는데 생긴건 끝내주게 고급스러운 캐슬 더럼3 와 연결하니 둘다 조화롭다. 상당히 좋은 소리가 나서 pc 파이용으로 사용 결정~!
장기보유하겠다 아마도. 왜? 정말 너무 예쁘고 새것처럼 깨끗하다. 리모컨 또한 묵직하고 좋으니. 나중에 언젠가 같은 시리즈의 cd 를 탐내 볼까 한다.
라고 생각했지만 얼마 후에 방출했다. 이유는! 아래의 태광 ar50 을 들였는데 아오.. 정말 내 귀에 캔디~ 가 아니라 내 귀에 너무나 좋았기 때문이고 성향이 둘이 좀 비슷한데 오디오램 8200이 조금 더 차가운 느낌이었기 때문이겠다.
나는 옛날노래만 들어서 긍가 ㅎ 따뜻하고 깔끔하면서도 맑은 소리가 좋다. 고 이제와서 생각해본다.
하여간 태광앰프를 들이면서 방출했고 보낼때 좀 아까웠다만 좋은 분께 좋은 가격에 드려서 다행이겠다. 그나마.
13. 태광 아너 ar-50 - 메인 등극!

8옴 62w (채널당).
태광의 하이엔드, ar90 동생 70 동생 50이다. ㅎ
아. 이거 뭐.. 너무 좋은데????
그냥 뭐라 말 할 것도 없다. 고급스럽다. 생긴것도 그렇고 저 심플한 앞면 버튼들과 배치들 보라. 뭐 그냥
자신있다는 말 아닌가. 과연 얼마나 좋을까 기대를 많이 했는데 정말 기대한 만큼 좋고
ar58 과 물려듣는다. 솔직히 이 조합이 인켈프로10 + ad400 의 인켈형제들의 호방하고 단단하며 힘있는 소리보다 더 좋다. 아마도 내 귀가 달달하고 맑고 산뜻한 소리를 좋아하는듯. 안방의 온쿄리시버와 사무실의 롯데앰프가 각기 다른 방향으로 산뜻, 맑고 상쾌하다.
이 친구를 들이고 나서 모든 궁금병이 사라졌다. 이제 지금의 앰프들이 고장나고 버려지는 그날까지 함께 할듯.
뽐뿌가 사라지니 또 심심한 감이 있어 이제 튜너에 인두를 좀 대볼까 생각한다.
14. 롯데 la-515s

----------------------------------------------------------------------------
롯데 마니아 LA-515(S)롯데가 파이오니아의 그늘에서 벗어나 마니아란 단독 브랜드를 내걸고 출시한 주력 컴포넌트였던 크리스털 시리즈의 구성품으로 채택된 인티앰프이다. 살짝 IC 소자의 냄새가 강하긴 하지만 단단한 저역대와 시원한 고역대가 잘 믹스된 괜찮은 소리를 들려주던 제품으로 다이렉트 모드 시 은은하게 밝혀지는 빨간 조명이 인상적이지만 불필요한 기능이 탑재되어 좀더 고음질을 끌어내지 못한 아쉬움이 남는 앰프이기도 하다. 많이 알려지지 않았으나 쓸 만한 앰프군에 속한다 하겠다.
출처 : 월간 오디오(http://www.audioht.co.kr)
-----------------------------------------------------------------------------
퍼왔다. (뭐라 하시면 삭제하겠습니다. ~ )
5만원 주고 중고딩나라에서 구입. 리모컨도 있다네!~!
역시~~ 며칠 안되어 한쪽 소리 안나고 ㅎ 그래도 유일하게 할줄 아는 접점부활제 난사로 되살아났다.
오오.. 이후 조마조마한 마음으로 듣고 있으나 두어달, 잘 소리 나고 있는 걸 보면 좀 더 잘 쓰겠다.
소리가.. 내귀에 정말 달콤하다. 굉장히 맑고 이쁘다. 온쿄랑은 또 다른데, 중저음의 깊이또한 상당해서, 아마도 채널당 120w 의 쎈 힘 덕이 아닌가 싶다. 이 앰프, 사무실에서 에어로909 와 함께 듣는다. 진공관도 909! 셀렉터가 큰 일 하고 있다. 망가지고 못고치는 그날까지 보유 확정이다. 더 이상의 뽐뿌는 없으니~!
지금 이 앰프들이 너무나 좋아서 귀가 간질간질하고 호강한다 ^^
'* 오디오도 만지작 ~' 카테고리의 다른 글
| 보스 201-2 / 보스 121 (0) | 2022.04.12 |
|---|---|
| 인켈 rv-1340r (0) | 2022.02.03 |
| 롯데 la515 , 에어로909 (0) | 2022.01.17 |
| 2. 앰프들 - 빈티지만 가득가득 - part2 (0) | 2021.11.14 |
| 1. 앰프들 - 빈티지만 가득가득 - part1 (0) | 2021.11.14 |



